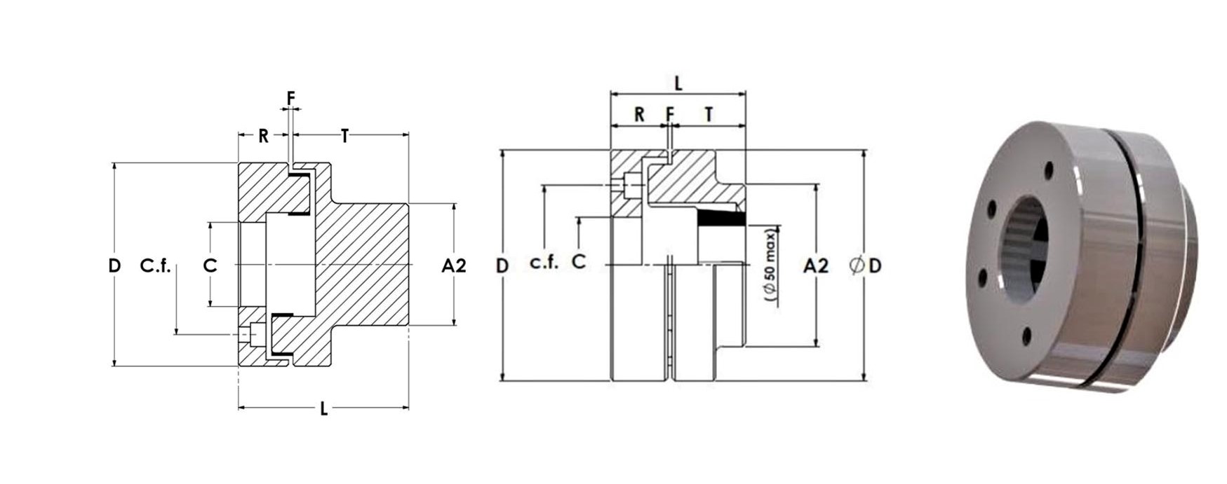
GVS couplings are made up of a special ''flange'' which connects directly to the flywheel (2-3 cylinder engine) through the fixing holes shown. The hub for the driven part can be supplied with pre-drilled bushings or machined bore and groove.
The circular shaped lugs absorb shock and vibration. The coupled half-couplings are self-centering due to the circular shape of the dowels.
The standard machining of the hubs involves the milling of the teeth which offers the following advantages:
Contact our technical office for coupling selection.
FOTOGALLERY

Criteria and recommendations for choosing the joint based on the application.
PRODUCTS IN THE SAME CATEGORY