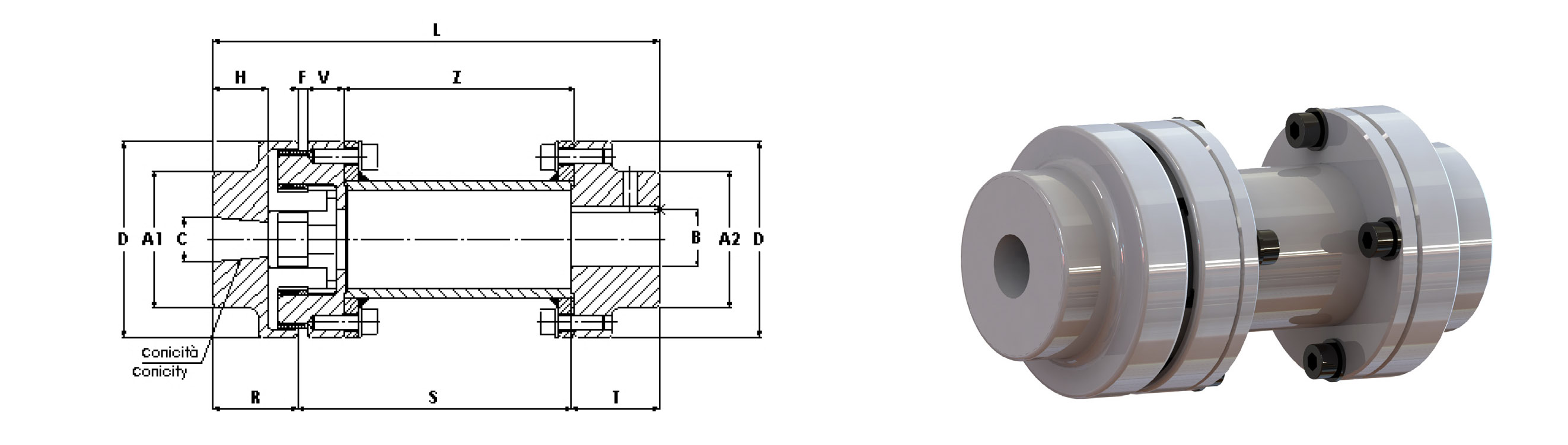
Flexible couplings with spacer machined of conical bore
The GN couplings with conical bore of this series have the advantage of the removable spacer without moving the coupled machines. They consist of a hub machined with a conical hole ready for assembly, and a hub with a machined hole for pump shaft.
INSTALLATION and ASSEMBLY INSTRUCTIONS are into the
package.
Ask a copy to tecnico@meccanicacouplings.it if
required.
Purchaser must comply with any applicable safety
regulation in the country where the coupling is used
FOTOGALLERY

Criteria and recommendations for choosing the joint based on the application.
PRODUCTS IN THE SAME CATEGORY